
ការពិពណ៌នាផលិតផលលម្អិត
| គុណសម្បត្តិ៖ | ល្បឿនលឿន | ល្បឿនស្លាក: | 60-200pcs / នាទី |
|---|---|---|---|
| មុខងារ៖ | ស្លាកផ្លាកអេសស៊ី | សម្ភារៈ: | ដែកអ៊ីណុក |
| ប្រភេទដប៖ | អ្នកដាក់ដបដបរាងមូលដោយស្វ័យប្រវត្តិ | ការដាក់ពាក្យ: | សម្រាប់ធុងកុងតឺន័រគ្រប់ប្រភេទ |
| ម៉ាកភីអិលស៊ី៖ | មីតសូរិយា (ជប៉ុន) | ម៉ូទ័រផ្លាកដាយៈ | DELTA (តៃវ៉ាន់) |
ម៉ាស៊ីនដាក់ផ្លាកស្រាក្រហមម៉ាស៊ីនដាក់ស្លាកដបស្រាប្រព័ន្ធត្រួតពិនិត្យភី។ អិល។ ធី
លក្ខណៈពិសេស:
ប្រតិបត្ដិការៈប្រព័ន្ធត្រួតពិនិត្យភីអិលស៊ីធ្វើឱ្យម៉ាស៊ីនផ្លាកងាយស្រួលដំណើរការ
2. សម្ភារៈ៖ តួសំខាន់របស់ម៉ាស៊ីនដាក់ស្លាកត្រូវបានផលិតពីដែកអ៊ីណុក SUS304
ការកំណត់រចនាសម្ព័ន្ធ៖ ម៉ាស៊ីនដាក់ស្លាកសញ្ញារបស់យើងទទួលយកគ្រឿងបន្លាស់ម៉ាកល្បី ៗ របស់ជប៉ុនអាឡឺម៉ង់អាមេរិចកូរ៉េកូរ៉េឬតៃវ៉ាន់
ភាពបត់បែន៖ អតិថិជនអាចជ្រើសរើសបន្ថែមម៉ាស៊ីនបោះពុម្ពនិងលេខកូដម៉ាស៊ីន; អាចជ្រើសរើសភ្ជាប់ជាមួយអ្នកជោគជ័យឬអត់។
ប៉ារ៉ាម៉ែត្របច្ចេកទេស៖
| ឈ្មោះ | ដបស្រាមូលដោយស្វ័យប្រវត្តិសម្រាប់ដៃអាវដែលមានល្បឿនលឿនបង្រួមម៉ាស៊ីនដាក់ស្លាកដបមូល |
| ល្បឿនស្លាក | 60-350 ភី / នាទី |
| កម្ពស់វត្ថុ | 30-350 មម |
| កម្រាស់វត្ថុ | 20-120 មម |
| កម្ពស់ស្លាក | 5-180 មម |
| ប្រវែងនៃស្លាក | 25-300 មម |
| ស្លាករំកិលនៅខាងក្នុងអង្កត់ផ្ចិត | ៧៦ ម។ ម |
| ស្លាករំកិលនៅខាងក្រៅអង្កត់ផ្ចិត | ៤២០ ម |
| ភាពត្រឹមត្រូវនៃការដាក់ស្លាក | ± ១ ម |
| ការផ្គត់ផ្គង់ថាមពល | 220V 50 / 60HZ 3.5KW |
| ការប្រើប្រាស់ហ្គាសរបស់ព្រីនធ័រ | ៥ គ។ ក្រ / ម ២ (បើបន្ថែមម៉ាស៊ីនសរសេរកូដ) |
| ទំហំម៉ាស៊ីនដាក់ស្លាក | ២៨០០ (អិល) × ១៦៥០ (សរសេរ) × ១៥០០ (ហ) ម |
| ទំងន់របស់ម៉ាស៊ីនផ្លាក | ១៨០ គីឡូក្រាម |
ការកំណត់រចនាសម្ព័ន្ធ
| ទេ | ផ្នែក | យីហោ | បរិមាណ |
| 1 | ភីអិលស៊ី | មីតសូសាគីអាយ (ជប៉ុន) | 1 |
| 2 | ឧបករណ៍បំលែងសំខាន់ | ដាន់ហ្វូសស (ដាណឺម៉ាក) | 1 |
| 4 | HMI | WEINVIEW (តៃវ៉ាន់) | 1 |
| 5 | ម៉ូទ័រដាក់ស្លាក servo | DELTA (តៃវ៉ាន់) | 1 |
| 6 | អ្នកបើកបរម៉ូតូដាក់ស្លាក servo | DELTA (តៃវ៉ាន់) | 1 |
| 7 | ម៉ូទ័ររំអិល | ហ៊ី (តៃវ៉ាន់) | 1 |
| 8 | ប្រអប់លេខម៉ូទ័រកុងទ័រ | ហ៊ី (តៃវ៉ាន់) | 1 |
| 9 | ការបែងចែកម៉ូទ័រដប | ជីភីអេស (តៃវ៉ាន់) | 1 |
| 10 | ការបែងចែកប្រអប់លេខម៉ូតូម៉ូទ័រ | ជីភីអេស (តៃវ៉ាន់) | 1 |
| 11 | ដបបំបែកម៉ូទ័រល្បឿនម៉ូទ័រ | ជីភីអេស (តៃវ៉ាន់) | 1 |
| 12 | ម៉ូទ័រនិយាយ | ជីភីអេស (តៃវ៉ាន់) | 1 |
| 13 | ប្រអប់លេខម៉ូតូនិយាយ | ជីភីអេស (តៃវ៉ាន់) | 1 |
| 14 | វត្ថុចាប់ភ្នែកវេទមន្ត | អូម៉រុន (ជប៉ុន) | 1 |
| 15 | សរសៃអុបទិក | អូម៉រុន (ជប៉ុន) | 1 |
ព័ត៌មានលម្អិតអំពីម៉ាស៊ីន៖

ផ្នែកម៉ាស៊ីនដាក់ស្លាកសំខាន់ចំនួន ៣២

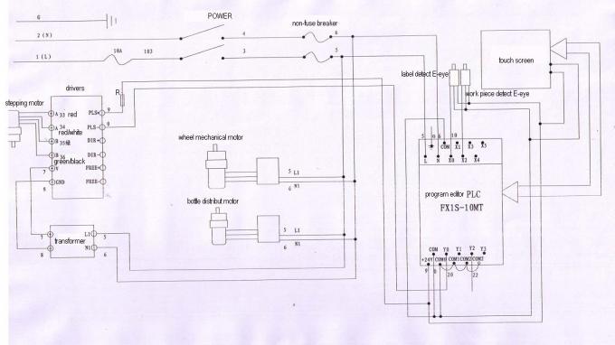
ដ្យាក្រាមសៀគ្វី

សំណួរគេសួរញឹកញាប់
1.label ទទួលបានពពុះ
មូលហេតុ៖
①របកបិទបន្ទះក្តារមិនល្អឬមិនរាបស្មើ។
board ក្តារភ្ជួររាស់មិនល្អ / មិនរាបស្មើ;
លទ្ធផលនៃការដាក់ស្លាកគឺលឿនពេករឺក៏ល្បឿននៃបណ្តាញភ្ជាប់ទាបពេក។
is ផ្លាកត្រូវបានទាញយឺតពេក
ដំណោះស្រាយ៖
①ប្តូរបន្ទះសំបករាបស្មើចេញពីក្តារបន្ទះ។
ប្តូរក្តារភ្ជួររាបស្មើ។
③បន្ថយល្បឿនលទ្ធផលនៃការដាក់ស្លាកឬបង្កើនល្បឿនខ្សែបញ្ចោញ។
④ប៉ះពាល់ផ្លាកខ្សែក្រវ៉ាត់អោយបានត្រឹមត្រូវ។
ស្លាក: ម៉ាស៊ីនដាក់ផ្លាកឧស្សាហកម្មម៉ាស៊ីនផ្លាកដបកែវ









